Cold, and Other Issues
Perhaps just a normal regional airport, Westfield-Barnes in Massachusetts, gives us more than its share of things to consider.
More Chart Reading
Learn some tips and tricks from a veteran aviation forecaster about what to look for on even those basic weather charts.
IFR Clinic
Enduring a black-screen episode in flight, for those in the know, isn’t as bad as it sounds. While the thought of losing a moving...
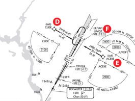
JFK’s Canarsie Approach
At first look, the title VOR or GPS RWY 13L/R approach presumes a straight-in approach to two runways or that the final approach...
Don’t Ignore NOTAMS
When conditions are down to 200-½, the search for approaches and alternates with better weather can take some time. Options are few on a...
Island Hoping [SIC]
You’re the owner, operator, and chief (only) pilot of Totally Legal Charters, flying passengers between the Hawaiian Islands and making questionable decisions. Pick whatever...
Just a Little Different
While no two approaches or departures are alike, most fit a template. Others need just a little more review and planning to be on...
Chart Subtleties
Grider Field (KPBF), Pine Bluff Regional Airport, Arkansas, is located approximately 36 NM southeast of Little Rock Airport (KLIT). The airport is named after...
Flight Plan Route
Per reader request; we’ll jump straight to the question. “Who changes—or how does the system change—the IFR flight plans I file?” When filing IFR,...
Drilling Down
It’s not exactly a bad time of year to fly from Texas to New Mexico, but spring can bring fluctuating ceilings and local winds...
The Airport Diagram
For “land” aircraft, all flights start and end at an airport or airstrip, and an important aspect in planning an IFR flight to an...
Paradoxical Minimums
Rocky Mountain Metro (KBJC, “Metro”) is an active general aviation airport located about 21 NM west of Denver International Airport (KDEN) and just outside...











![Island Hoping [SIC]](https://ifr-magazine.com/wp-content/uploads/2023/07/Screenshot-2023-07-24-at-2.45.47-PM-1-218x150.png)





